Industrier
Fly og yachter
• Hjælpeudstyr til fly
- Elektrisk oliepumpe
- Landings gear drev
-Miljøkontrolsystem
• Yacht ansøgning
- Fremdriftssystemer
-Indbygget udstyr kører
Relaterede produkter
×
40ZYT 40 mm børstet jævnstrømsmotor skæve slots har holdbart design med forstærket binding
Suzhou Retek Electric Technology Co., Ltd. fortsætter med at levere 40ZYT-serien til applikationer, der prioriterer omkostningseffektivitet, enkel kontrol og højt drejningsmoment ved opstart. Vi fokuserer på at optimere børste-kommutator-grænsefladen for at minimere elektrisk støj (EMI) og børsteslid, som er kritiske faktorer for børstet motors levetid. Det holdbare design har en robust konstruktion, der bevarer ydeevnen over tusindvis af driftstimer, hvilket gør det til et pålideligt valg for forbruger- og letindustrielle produkter.
40ZYT 40 mm børstet jævnstrømsmotor skæve slots har holdbart design med forstærket binding
×
Suzhou Retek Electric Technology Co., Ltd. designer og fremstiller 76/78ZYT-serien til at modstå de hårde krav fra industrielle logistik- og mobilitetsmarkeder. Vi fokuserer på at maksimere motorens momenttæthed og termiske ydeevne og sikre, at den kan levere sin nominelle effekt uden for tidlig fejl. Enkelheden og robustheden af denne gennemprøvede teknologi gør den til det foretrukne valg for OEM'er, der bygger pålideligt, omkostningsfølsomt tungt udstyr.
76ZYT 78ZYT 76mm78mm børstet jævnstrømsmotor
×
| Elektrisk Spec. | |||||||||||||||||||||||||||
| Maks. P (W) | Spænding (V) | Maks. jeg. A) | KV | Strøm uden belastning (A) | Modstand (mΩ) | polakker | Motor Dim. (mm) | Stator Dim. (mm) | Montering (mm) | N.W. (g) | Prop. (tommer) | ||||||||||||||||
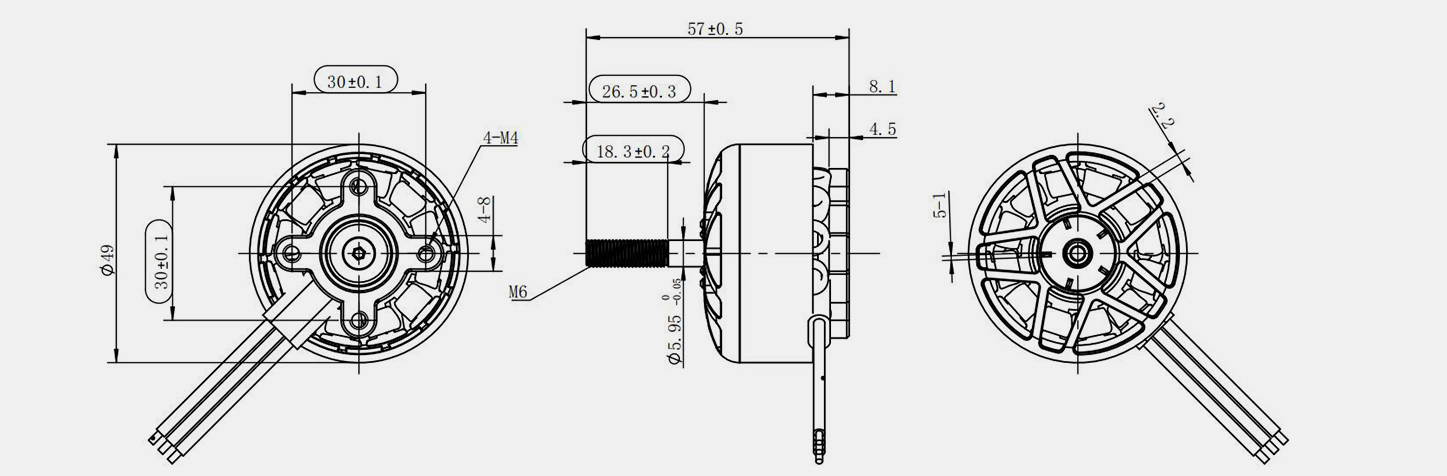
| 2121 | 24 | 34 | 380 | 1.5 | 576 | 14 | φ49*32,5 | φ42*14 | M4-30*30 | 235 | 13"~15" | ||||||||||||||||
| Thrust Testing Data | |||||||||||||||||||||||||||
| Propel | KV værdi | Gashåndtag (%) | Spænding (V) | Nuværende (A) | Hastighed (RPM) | Trykkraft (KG) | Moment (N.M) | Indgangseffekt (W) | Effektivitet (G/W) | ||||||||||||||||||
| GEMFAN 1308*3 | 380kV | 10 % | 24 | 0.184 | 859 | 0.0279 | 0.010 | 4.4 | 6.309 | ||||||||||||||||||
| 20 % | 23.99 | 0.623 | 1788 | 0.1207 | 0.031 | 14.9 | 8.082 | ||||||||||||||||||||
| 30 % | 23.99 | 1.437 | 2708 | 0.2961 | 0.072 | 34.5 | 8.600 | ||||||||||||||||||||
| 40 % | 23.98 | 2.588 | 3536 | 0.5128 | 0.116 | 62 | 8.278 | ||||||||||||||||||||
| 50 % | 23.96 | 4.434 | 4393 | 0.7981 | 0.179 | 106.2 | 7.525 | ||||||||||||||||||||
| 60 % | 23.94 | 7.498 | 5286 | 1.1673 | 0.258 | 179.5 | 6.508 | ||||||||||||||||||||
| 70 % | 23.92 | 11.142 | 6106 | 1.5620 | 0.344 | 266.5 | 5.864 | ||||||||||||||||||||
| 80 % | 23.89 | 15.405 | 6835 | 1.9759 | 0.433 | 368 | 5.370 | ||||||||||||||||||||
| 90 % | 23.85 | 20.898 | 7573 | 2.4480 | 0.534 | 498.5 | 4.911 | ||||||||||||||||||||
| 100 % | 23.81 | 26.668 | 8213 | 2.8856 | 0.630 | 635.1 | 4.544 | ||||||||||||||||||||
| GEMFAN 1310*3 | 380kV | 10 % | 24.01 | 0.18 | 847 | 0.0239 | 0.014 | 4.3 | 5.539 | ||||||||||||||||||
| 20 % | 24 | 0.708 | 1781 | 0.1251 | 0.042 | 17 | 7.367 | ||||||||||||||||||||
| 30 % | 23.99 | 1.668 | 2664 | 0.3160 | 0.093 | 40 | 7.900 | ||||||||||||||||||||
| 40 % | 23.98 | 3.104 | 3458 | 0.5413 | 0.152 | 74.4 | 7.278 | ||||||||||||||||||||
| 50 % | 23.96 | 5.481 | 4293 | 0.8513 | 0.2310 | 131.3 | 6.490 | ||||||||||||||||||||
| 60 % | 23.99 | 9.362 | 5159 | 1.2510 | 330 | 224.1 | 5.585 | ||||||||||||||||||||
| 70 % | 23.98 | 13.856 | 5924 | 1.6492 | 0.437 | 331.3 | 4.979 | ||||||||||||||||||||
| 80 % | 23.95 | 19.353 | 6644 | 2.1044 | 0.549 | 462 | 4.555 | ||||||||||||||||||||
| 90 % | 23.93 | 25.502 | 7287 | 2.5593 | 0.666 | 607.8 | 4.211 | ||||||||||||||||||||
| 100 % | 23.88 | 32.034 | 7869 | 2.9946 | 0.768 | 762.1 | 3.929 | ||||||||||||||||||||
| GEMFAN 1310*3 | 640kV | 10 % | 24.81 | 0.409 | 1336 | 0.0768 | 0.0299 | 9.8000 | 7.8180 | ||||||||||||||||||
| 20 % | 23.73 | 1.865 | 2708 | 0.3374 | 0.1001 | 44.7000 | 7.5440 | ||||||||||||||||||||
| 30 % | 23.63 | 4.803 | 3946 | 0.7408 | 0.2051 | 115.0000 | 6.4420 | ||||||||||||||||||||
| 40 % | 23.53 | 9.285 | 5007 | 1.2049 | 0.3214 | 222.2000 | 5.4240 | ||||||||||||||||||||
| 50 % | 23.42 | 17.318 | 6131 | 1.8117 | 0.4789 | 413.5000 | 4.3840 | ||||||||||||||||||||
| 60 % | 23.5 | 28.207 | 7158 | 2.4977 | 0.6519 | 671.5000 | 3.7200 | ||||||||||||||||||||
| 70 % | 23.62 | 40.854 | 8027 | 3.1604 | 0.8238 | 969.3000 | 3.2610 | ||||||||||||||||||||
| 80 % | 23.67 | 58.755 | 8840 | 3.8649 | 1.0092 | 1388.3000 | 2.7840 | ||||||||||||||||||||
| 90 % | 23. | 73.77 | 9411 | 4.3715 | 1.1529 | 1736.0000 | 2.5180 | ||||||||||||||||||||
| 100 % | 23.7 | 90.573 | 9878 | 4.8917 | 1.2935 | 2121.3000 | 2.3060 | ||||||||||||||||||||
LN4214 380KV 6-85 UAV børsteløs motor til 13 tommer racerdroner
×
LN13720 Series 24S børsteløs dronemotor (34KV / 38KV) – High-Power Heavy-Lift UAV-motor
LN13720 Series 24S børsteløs dronemotor (34KV / 38KV) – High-Power Heavy-Lift UAV-motor
